电动V型球阀
电动V型球阀是一种芯阀座采用金属,或金属对聚四氟乙烯密封配合的旋转球阀,它将球阀和蝶阀的最佳控制特性结合成一体,既可用作控制调节阀,又可作关断切断阀。球芯上的V形切口与金属阀座之间具有剪切作用,特别适用于控制高粘度,含纤维、固体颗粒及浆料等介质。
|
产品名称: |
电动V型球阀 |
产品型号: |
VQ947H/F/Y、VQ977H/F/Y |
|
公称通径: |
DN25~DN500 |
结构形式: |
球形 |
|
公称压力: |
1.6Mpa~4.0Mpa |
连接方式: |
法兰式、对夹式 |
|
适用温度: |
-20~232℃~450℃ |
驱动方式: |
手动、蜗轮、电动、气动 |
|
阀体材质: |
铸钢、不锈钢 |
制造标准: |
国标GB、德国DIN、美国API、ANSI |
|
适用介质: |
蒸汽、液体、固体颗粒、粘稠、易结晶介质 |
生产厂家: |
UWIN电竞(中国)集团, |
产品说明
电动V型球阀是一种芯阀座采用金属,或金属对聚四氟乙烯密封配合的旋转球阀,它将球阀和蝶阀的最佳控制特性结合成一体,既可用作控制调节阀,又可作关断切断阀。球芯上的V形切口与金属阀座之间具有剪切作用,特别适用于控制高粘度,含纤维、固体颗粒及浆料等介质。结构制造纸工业的纸浆显得尤为优越。阀门的流通能力大、压力损失小、且介质不会沉积在阀体中腔,阀门不仅具有近似等有分比的流量特性、可调范围大,最大可调比为100:1,还具有精确调节与可靠定位的功能。
产品特点
电动V型球阀是球阀的一种,它的关闭件是半球体上开有V字型开口,V型开口具有锋利的刃口,在球体回转过程中,关闭件之间有擦拭作用,对介质具有强有力的切断力,球体的V型开口与阀座流道形成一个扇形区域,在回转过程中可改变流道截面积,形成对介质的精确调节,它是一种角回转的调节阀,其密封性能与普通球阀相同,使它同时具备调节和开关两种功能,与气动或电动执行器配套,广泛使用于工业过程自控系统中。
1、阀体整体式结构:对夹式和法兰式V型球阀阀体都是整体侧装式结构,结构刚性强,不容易引起变形和外泄。
2、上下自润滑轴承:阀体内装有上下自润滑轴承,与阀杆接触面积大,承载能力高,磨擦系数小,使阀门的扭矩减少。
3、阀座可根据介质和工况的需要,选金属硬密封或PTFE软密封:金属硬密封阀座密封表面堆焊硬质合金,球 面镀硬铬或喷焊、离子氮化等硬化处理,使密封面使用寿命增强,耐温提高;软密封PTFE阀座或增强PTFE阀座密封性好 耐腐蚀,适应范围广。
4、经济实用性:阀体重量轻,阀杆扭矩小,配用气动或电动执行器相应规格小,与其它类型的调节阀相比,性价比高。
5,介质适应范围广:由于V型开口与阀座之间的剪切作用力,及阀内腔流道的光滑圆整,使介质不易积存于内腔,所以 它除适合液体介质外,更适合于带纤维及固体颗料介质的系统控制。
6、小流量精确控制:通过对小口径阀芯特殊V型开口的加工,可实现小Cv值精确控制。
技术规范
|
设计依据 |
GB标准 |
ANSI标准 |
|
设计标准 |
GB/12237 |
ANSIB16.34 |
|
连接法兰尺寸 |
GB/9113、JB/T79 |
ANSIB16.5 |
|
试验和检验 |
JB/T9002 |
API598 |
阀座参数
|
金属密封阀座 |
高温型金属密封阀座 |
软阀座 |
|
序号 |
名称 |
温度范围℃ |
序号 |
名称 |
温度范围℃ |
序号 |
名称 |
温度范围℃ |
|
1 |
密封阀盖 |
-20~160℃
-20~230℃ |
1 |
密封阀盖 |
-20~425℃ |
1 |
密封阀盖 |
-20~160℃ |
|
2 |
弹簧 |
2 |
碟簧 |
2 |
弹簧 |
|
3 |
O形圈 |
3 |
压圈 |
3 |
O形圈 |
|
4 |
阀体 |
4 |
石墨环 |
4 |
阀体 |
|
5 |
密封座 |
5 |
阀座 |
5 |
密封座 |
|
6 |
阀芯 |
6 |
阀体 |
6 |
密封圈(PTFE) |
|
|
7 |
阀芯 |
7 |
阀芯 |
主要零件材质表
|
序号 |
名称 |
数量(件) |
材料 |
|
1 |
阀体 |
1 |
WCB |
CF8 |
CF8M |
|
2 |
阀芯 |
1 |
CF8表面镀硬铬 |
CF8表面镀硬铬 |
CF8M表面镀硬铬 |
|
3 |
圆柱销 |
2 |
304 |
304 |
316 |
|
4 |
阀座 |
1 |
304堆焊硬质合金 |
304堆焊硬质合金 |
316 |
|
5 |
弹簧 |
1 |
316 |
316 |
316 |
|
6 |
0型圈 |
1 |
氟橡胶 |
氟橡胶 |
氟橡胶 |
|
7 |
自润滑轴承 |
|
304+PTFE |
304+PTFE |
316+PTFE |
|
8 |
下阀杆 |
1 |
20Cr13 |
304 |
316 |
|
9 |
O型圈 |
1 |
氟橡胶 |
氟橡胶 |
氟橡胶 |
|
10 |
后压盖 |
1 |
WCB |
CF8 |
CF8M |
|
11 |
环垫 |
1 |
PTFE |
PTFE |
PTFE |
|
12 |
调节垫片 |
1 |
PTFE |
PTFE |
PTFE |
|
13 |
平垫片 |
4 |
Q235 |
304 |
304 |
|
14 |
螺栓 |
4 |
25 |
304 |
304 |
|
15 |
双头螺柱 |
2 |
25 |
304 |
304 |
|
16 |
自润滑轴承 |
1 |
304+PTFE |
304+PTFE |
316+PTFE |
|
17 |
平键 |
1 |
20Cr13 |
304 |
316 |
|
18 |
下填料 |
1 |
PTFE |
PTFE |
PTFE |
|
19 |
中填料 |
1组 |
PTFE |
PTFE |
PTFE |
|
20 |
上填料 |
1 |
PTFE |
PTFE |
PTFE |
|
21 |
填料压盖 |
1 |
WCB |
CF8 |
CF8M |
|
22 |
螺母 |
2 |
35 |
304 |
304 |
|
23 |
上阀杆 |
1 |
20Cr13 |
304 |
316 |
主要技术参数及性能指标
|
公称通径DN |
25 |
32 |
40 |
50 |
65 |
80 |
100 |
125 |
150 |
200 |
250 |
300 |
350 |
400 |
|
额定流量系数Cv |
32 |
43 |
78 |
90 |
160 |
250 |
360 |
610 |
1120 |
1850 |
2950 |
3700 |
7195 |
11466 |
|
公称压力 |
PN1.6、2.5、4.0、6.4MPa |
|
强度试验 |
2.4~9.6MPa |
|
密封试验 |
1.76~7.0MPa |
|
流量特性 |
近似等百分比、直线特性 |
|
阀板转角(度) |
0°~至90°(可调) |
|
允许泄漏量等级 |
软密封:零泄露
硬密封:≤额定Cv×0.001% |
软密封:VI微气泡级,金属密封:≤额定CV×0.065% |
|
动作时间(S/90度) |
8.5~30 |
36~60 |
|
可调节比 |
250:1 |
300:1 |
|
基本误差 |
全行程的≤±2% |
|
回差 |
全行程的≤±2% |
|
死区 |
全行程的≤0.8% |
|
控制方式 |
开关到位灯(开关两位控制)、无源触点信号、1/5K电位计、智能调节(4~20mA模拟量信号控制) |
执行器技术参数
|
执行器类别 |
引进型JOX系列执行器参数 |
引进型3610R系列执行器参数 |
引进型JHQ系列执行器参数 |
|
电源电压 |
标准:220V AC单相 可选:110V AC 单相、380/440V AC 三相、24V/110V/220V AC |
|
输出力矩 |
50N·M~2000N·M |
50N·M~1500N·M |
50N·M~3000N·M |
|
动作范围 |
0~90° 0~360° |
0~90° |
0~90°、0°~270°可选 |
|
控制方式 |
开关到位灯(开关两位控制)、无源触点信号、1/5K电位计、智能调节(4~20mA模拟量信号控制) |
|
动作时间 |
15秒/30秒/60秒 |
10秒/15秒/30秒 |
18S~112S |
|
保护装置 |
过热保护 |
过载保护 |
内置过热保护、过载保护 |
|
环境温度 |
-30°~60° |
-30°~60° |
-20℃~+70℃ |
|
手动操作 |
同附带手柄操作 |
同附带手柄操作 |
机械离合机构,配手轮操作 |
|
机械限位 |
电气、机械二重限位 |
电气、机械二重限位 |
2个外部调整螺栓 |
|
防护等级 |
IP65 |
IP55 |
IP65、IP67、可定制IP68 |
|
防爆等级 |
无防爆 |
ExdⅡ BT4 |
ExdⅡ BT4,ExdⅡ CT6 |
|
位置测量 |
可选装开关或电位计 |
比例控制单元 |
电位计、比例控制单元 |
|
驱动电机 |
8W/E |
AC可逆电机 |
鼠笼式异步电机 |
|
进线接口 |
PE1/2〞进线线锁 |
2-PF 1/2〞进线线锁 |
2个 PF 3/4” |
|
壳体材料 |
铝合金 |
钢,铝合金 |
钢,铝合金,铝青铜,聚碳酸脂 |
|
外涂层 |
干粉,环氧聚酯,具有超强防腐功能 |
|
采用独特的电制动线路,因而定位精度高,执行机构灵敏,启动停止迅速,运行平稳。同时具有抗干扰、抗浪涌电压、防击穿能力强的特点 |
|
适用于动作频繁的调节回路,当接通持续率为25%时,每小时动作次数可达630-1200次 |
流量特性指数图
VQ947(H/FY)法兰式电动V型球阀结构图
VQ947(H/FY)法兰式电动V型球阀外形参数及连接尺寸
(1.6MPa-2.5MPa)
公称压力
PN(MPa) |
公称通径
DN(mm) |
尺寸(mm) |
|
L |
L1 |
D |
D1 |
D2 |
b |
Z-ød |
Dc |
H1 |
|
1.6 |
25 |
- |
- |
- |
- |
- |
- |
- |
38 |
57 |
|
40 |
- |
- |
- |
- |
- |
- |
- |
49 |
63 |
|
50 |
124 |
62 |
160/165 |
125 |
100/102 |
16/18 |
4-ø18 |
60 |
92 |
|
65 |
145 |
72.5 |
180/185 |
145 |
120/122 |
18 |
4-ø18 |
75 |
100 |
|
80 |
165 |
82.5 |
195/200 |
160 |
135/138 |
20 |
8-ø18 |
89 |
108 |
|
100 |
194 |
97 |
215/220 |
180 |
155/158 |
20 |
8-ø18 |
113 |
117 |
|
125 |
210 |
105 |
245/250 |
210 |
185/188 |
22 |
8-ø18 |
140 |
140 |
|
150 |
229 |
114.5 |
280/285 |
240 |
210/212 |
24/22 |
8-ø23/8-ø22 |
164 |
177 |
|
200 |
243 |
121.5 |
335/340 |
295 |
265/268 |
26/24 |
12-ø23/12-ø22 |
205 |
200 |
|
250 |
297 |
148.5 |
405 |
355 |
320 |
30/26 |
12-ø25/12-ø26 |
259 |
252 |
|
300 |
338 |
169 |
460 |
410 |
375/378 |
30/28 |
12-ø25/12-ø26 |
300 |
270 |
|
2.5 |
25 |
- |
- |
- |
- |
- |
- |
- |
38 |
57 |
|
40 |
- |
- |
- |
- |
- |
- |
- |
49 |
63 |
|
50 |
124 |
62 |
160/165 |
125 |
100/102 |
20 |
4-ø18 |
60 |
92 |
|
65 |
145 |
72.5 |
180/185 |
145 |
120/122 |
22 |
8-ø18 |
75 |
100 |
|
80 |
165 |
82.5 |
195/200 |
160 |
135/138 |
22/24 |
8-ø18 |
89 |
108 |
|
100 |
194 |
97 |
230/235 |
190 |
160/162 |
24 |
8-ø23/8-ø22 |
113 |
117 |
|
125 |
210 |
105 |
270 |
220 |
188 |
28/26 |
8-ø25/8-ø26 |
140 |
140 |
|
150 |
229 |
114.5 |
300 |
250 |
218 |
30/28 |
8-ø25/8-ø26 |
164 |
177 |
|
200 |
243 |
121.5 |
360 |
310 |
278 |
34/30 |
12-ø25/12-ø26 |
205 |
200 |
|
250 |
297 |
148.5 |
425 |
370 |
332/335 |
36/32 |
12-ø30 |
259 |
252 |
|
300 |
338 |
169 |
485 |
430 |
390/395 |
40/36 |
16-ø30 |
300 |
270 |
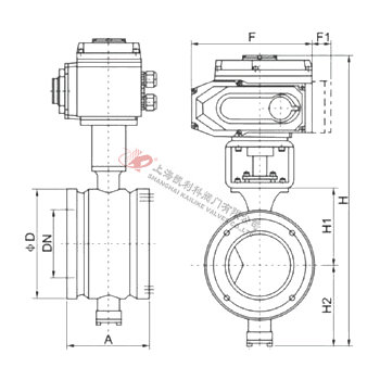
VQ977(H/FY)对夹式电动V型球阀结构图
VQ977(H/FY)对夹式电动V型球阀外形参数及连接尺寸
(1.6MPa-2.5MPa)
|
公称通径DN |
尺寸(mm) |
|
A |
ΦD |
H1 |
H2 |
H |
F |
F1 |
|
15 |
62 |
Φ64 |
74 |
75 |
390 |
161 |
40 |
|
20 |
62 |
Φ64 |
74 |
75 |
390 |
161 |
40 |
|
25 |
62 |
Φ64 |
74 |
75 |
390 |
161 |
40 |
|
32 |
62 |
Φ78 |
80 |
75 |
400 |
188 |
40 |
|
40 |
62 |
Φ82 |
85 |
75 |
405 |
188 |
40 |
|
50 |
75 |
Φ100 |
87 |
95 |
430 |
188 |
40 |
|
65 |
80 |
Φ120 |
105 |
115 |
460 |
188 |
40 |
|
80 |
100 |
Φ131 |
115 |
125 |
520 |
268 |
40 |
|
100 |
115 |
Φ158 |
125 |
125 |
530 |
268 |
40 |
|
125 |
130 |
Φ180 |
140 |
155 |
570 |
268 |
40 |
|
150 |
160 |
Φ216 |
153 |
165 |
600 |
268 |
40 |
|
200 |
200 |
Φ268 |
200 |
195 |
680 |
268 |
40 |
|
250 |
240 |
Φ325 |
225 |
225 |
730 |
268 |
40 |
声明:【电动V型球阀】规格型号、结构尺寸由UWIN电竞(中国)集团,提供,如何选择适用的电动V型球阀产品,使之在工艺控制中安全可靠、经济适用,可致电我司销售部门及技术部门,我们将在最短的时间内为您解答! |