
BX43W沥青专用保温旋塞阀
BX43W沥青专用保温旋塞阀主要用于沥青管路上,作为开启或关闭或切换作用。通过保温夹层加循环蒸汽、或热水、或导热油来保证沥青不结晶,从而保护沥青在管路上正常流动。广泛地应用于油田开采、输送和精练设备中,同时也广泛用于石油化工、化工、煤气、天然气、液化石油气、暖通行业以及一般工业中。
| 产品名称: | 沥青专用保温旋塞阀 | 产品型号: | BX43W |
| 公称通径: | DN50~DN200 | 结构形式: | 圆柱形或圆锥形 |
| 公称压力: | 1.0MPa | 连接方式: | 法兰 |
| 适用温度: | -29ºC~+250ºC | 驱动方式: | 手动、电动 |
| 阀体材质: | 铸钢、不锈钢 | 制造标准: | 国标GB、德国DIN、美国API、ANSI |
| 适用介质: | 沥青、易凝固、易结晶等介质 | 生产厂家: | UWIN电竞(中国)集团, |
| 型号 |
公称压力 PN(MPa) |
试验压力PS(MPa) | 适用介质 | 工作温度(℃) | |
| 壳体 | 密封 | ||||
| BX43W-1.6C | 1.6 | 2.0 | 1.6 | 沥青及厚质油类 | ≤425 |
| BX44W-1.6C | 1.6 | 2.0 | 1.6 | ||
|
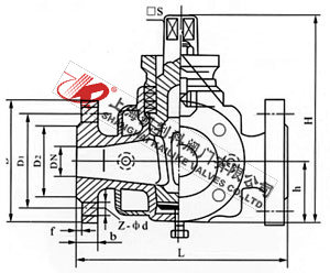
公称通径 DN(mm) |
L | D | D1 | D2 | b | F | n-φd | H | S | |
| 50 | 二通 | 250 | 160 | 125 | 100 | 18 | 3 | 4-φ18 | 250 | 30×30 |
| 三通 | 250 | 160 | 125 | 100 | 18 | 3 | 4-φ18 | |||
| 65 | 二通 | 300 | 180 | 145 | 120 | 20 | 3 | 4-φ18 | 280 | 40×40 |
| 三通 | 300 | 180 | 145 | 120 | 20 | 3 | 4-φ18 | |||
| 80 | 二通 | 300 | 195 | 160 | 135 | 20 | 3 | 8-φ18 | 320 | 45×45 |
| 三通 | 300 | 195 | 160 | 135 | 20 | 3 | 8-φ18 | |||
| 100 | 二通 | 325 | 215 | 180 | 155 | 22 | 3 | 8-φ18 | 350 | 52×52 |
| 三通 | 325 | 215 | 180 | 155 | 22 | 3 | 8-φ18 | |||
| 125 | 二通 | 350 | 245 | 210 | 185 | 22 | 3 | 8-φ18 | 405 | 62×62 |
| 三通 | 350 | 245 | 210 | 185 | 22 | 3 | 8-φ18 | |||
| 150 | 二通 | 400 | 280 | 240 | 210 | 24 | 3 | 8-φ23 | - | 68×68 |
| 三通 | 400 | 280 | 240 | 210 | 24 | 3 | 8-φ23 | |||
| 200 | 二通 | 450 | 335 | 295 | 265 | 26 | 3 | 12-φ23 | - | 75×75 |
| 三通 | 450 | 335 | 295 | 265 | 26 | 3 | 12-φ23 | |||
声明:【BX43W沥青专用保温旋塞阀】规格型号、结构尺寸由UWIN电竞(中国)集团,提供,如何选择适用的BX43W沥青专用保温旋塞阀产品,使之在工艺控制中安全可靠、经济适用,可致电我司销售部门及技术部门,我们将在最短的时间内为您解答! |